Sterownik bezprzewodowy Satel ARSC-200 (Smart Blinds) przeznaczony jest do
sterowania zdalnego lub lokalnego pracą rolet lub żaluzji poziomych / okien z napędem elektrycznym z silnikiem
230V AC z wyłącznikami krańcowymi.
Działa w ramach
systemu bezprzewodowego ABAX 2 / BE WAVE.
Przeznaczony jest do
montażu dopuszkowego.
Charakterystyka działania
- umożliwia podnoszenie / opuszczanie rolet lub otwieranie / zamykanie żaluzji poziomych / okien z napędem elektrycznym
- steruje urządzeniami z silnikiem 230V AC z wyłącznikami krańcowymi
- sterowanie zdalne lub lokalne (przy użyciu wejść sterujących)
- automatyczna detekcja czasu przesuwu rolety / żaluzji
- wykrywanie problemów z roletą / żaluzją (brak zasilania, błędne położenie, zacięcie mechaniczne, przegrzanie silnika)
- możliwość tworzenia rutyn (np. zamykanie wszystkich rolet jednocześnie), scen lub harmonogramów
- sterowanie pracą urządzeń za pomocą tradycyjnych przycisków na ścianie, pilota zdalnego sterowania (Smart Keyfob, brak w zestawie), przycisku (Smart Button, brak w zestawie) lub aplikacji mobilnej Be Wave (na system Android / iOS)
- współpraca z kontrolerami ACU-220 / ACU-280 / Smart HUB / Smart HUB Plus / Smart HUB Plus LV oraz retransmiterem ARU-200 (Smart Repeater)
- zasięg komunikacji radiowej (w terenie otwartym): do 1000 m
- szyfrowana dwukierunkowa komunikacja radiowa w paśmie częstotliwości 868 MHz (standard AES)
- 2 wejścia sterujące:
- możliwość podłączenia podwójnego przycisku dzwonkowego lub przełącznika żaluzjowego,
- sterowanie lokalne roletą / żaluzją,
- możliwość sterowania dowolnymi urządzeniami w systemie.
- automatyczna aktualizacja oprogramowania modułu
- wszechstronność montażu (np. na ścianie, suficie, podłodze, w obudowach innych urządzeń)
- montaż w puszkach elektroinstalacyjnych podtynkowych i natynkowych o minimalnej średnicy 60 mm
Zautomatyzuj pracę rolet i żaluzji
Smart Blinds to nowoczesne urządzenie, które umożliwia
automatyczne sterowanie pracą rolet, żaluzji poziomych, markiz czy elektrycznych okien:
- rolety - możliwość opuszczenia ich na sam dół okna, podniesienie ich całkowicie lub ustawienie na określonej wysokości;
- okna z napędem elektrycznym – możliwość otworzenia ich, zamknięcia lub uchylenia;
- żaluzje - poza tym, co wyżej zyskujesz też możliwość dostosowania nachylenia listewek.
Pomimo pracy automatycznej, zachowujesz też możliwość sterowania nimi za pomocą wcześniej zamontowanych przycisków lub włączników ściennych.

Dyskretny i kompaktowy
ARSC-200 to urządzenie umieszczone w niewielkiej obudowie umożliwiającej montaż
dopuszkowy. To użytkownik może wybrać najlepszą miejsce, które wpasuje się w estetykę danego wnętrza. Instalacja sterownika możliwa jest np. na ścianie, suficie, podłodze lub czy w obudowach innych urządzeń.
Symulacja obecności
Świetnym rozwiązaniem jest
funkcja symulacji obecności. Za jej sprawą, wybrane rolety będą się losowo podnosić i opuszczać, a niektóre zaprogramowane światła włączać. Dzięki temu potencjalny włamywacz będzie myślał, że ktoś cały czas jest w domu, co może go skutecznie zniechęcić do działania.

Jedno urządzenie, wiele możliwości
Zastosowanie sterownika Smart Blinds stawia przed użytkownikiem wiele opcji. Przykładowe zaprogramowanie działań:
✔️ W odpowiedzi na mocny wzrost temperatury w pomieszczeniach, rolety przymkną się częściowo.
✔️ Wykrycie pierwszych znamion pożaru spowoduje, że żaluzje w całym domu zostaną otwarte, a rolety podniesione. Umożliwi to jak najszybszą ewakuację.
✔️ Zaplanuj scenę "wyjście z domu". Spowoduje ona wyłączenie świateł w domu, zamknięcie okien, opuszczenie rolet zewnętrznych i włączenie trybu ochrony.
✔️ Chcesz obejrzeć film w przyjemnej atmosferze, ale na zewnątrz wciąż jest jasno? Wystarczy jeden "klik" by zaciemnić całe pomieszczenie bez konieczności zasuwania każdej rolety z osobna.
✔️ Zaplanuj harmonogram pracy swoich rolet lub żaluzji, np. zasłonięcie okien po zmroku.
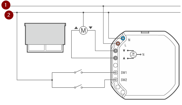
Podłączenie sterownika
1. przycisk (z tyłu obudowy) do:
- zarejestrowania sterownika w systemie (naciśnij w trakcie dodawania sterownika do systemu),
– zablokowania / odblokowania rejestracji (naciśnij i przytrzymaj przez 10 sek., aby zablokować / odblokować możliwość dodania sterownika do systemu).
Przewody
- N [niebieski] - do połączenia z przewodem neutralnym zasilania 230 V AC.
- L [brązowy] - do połączenia z przewodem fazowym zasilania 230 V AC.
- [szary] - do podłączenia silnika rolety / żaluzji – ruch w dół.
- [szary] - do podłączenia silnika rolety / żaluzji – ruch w górę.
- SW1 [biały] - wejście sterujące 1.
- SW2 [biały] - wejście sterujące 2.
Legenda:
- L - faza (wejście, 230V AC)
- N - neutralny
Jak zamontować sterownik krok po kroku?
1. Wyłącz zasilanie w obwodzie, do którego ma być podłączony sterownik.
2. Otwórz puszkę, w której ma zostać zamontowany sterownik.
3. Podłącz sterownik do obwodu zasilania 230V AC:
– przewód brązowy [L] do przewodu fazowego.
– przewód niebieski [N] do przewodu neutralnego.
4. Podłącz silnik rolety / żaluzji do wyjścia sterownika.
5. Podłącz podwójny przycisk dzwonkowy / przełącznik żaluzjowy do wejść sterownika.
6. Umieść sterownik w puszce. Przewody elektryczne powinny znaleźć się za obudową sterownika.
7. Włącz zasilanie w obwodzie, do którego podłączony jest sterownik.
8. Uruchom aplikację Be Wave i dodaj sterownik do systemu. Kiedy wyświetlone zostanie polecenie włączenia urządzenia, naciśnij przycisk na obudowie oznaczony symbolem +.
9. Zamknij puszkę.
Ważne!
- Nie podłączaj do sterownika więcej niż jednego silnika rolety / żaluzji.
- Wejścia sterownika nie są separowane galwanicznie.
- Nie instaluj sterownika na zewnątrz.
- Zainstaluj sterownik w puszce elektroinstalacyjnej (min. średnica 60 mm lub puszce z kieszenią).
- Do sterownika możesz podłączyć silnik 230V AC rolety / żaluzji z wyłącznikami krańcowymi. Pobór prądu przez silnik nie może przekraczać 1,7A.
- Do wejść sterujących możesz podłączyć podwójny przycisk dzwonkowy lub przełącznik żaluzjowy przeznaczony do instalacji elektrycznych 230 V. Zaleca się podłączenie przycisku dzwonkowego, ponieważ oferuje on większą funkcjonalność.
- Do podłączenia przycisku / przełącznika użyj przewodów giętkich o przekroju 0,5-0,75 mm2.
Specyfikacja techniczna:
- pasmo częstotliwości pracy: 868,0 MHz ÷ 868,6 MHz
- zasięg komunikacji radiowej (w terenie otwartym): do 1000 m
- napięcie zasilania: 230V AC / 50Hz
- pobór prądu: 0,45W (w stanie gotowości), 1W (max.)
- max. obciążenie: 1,7A / 350W / 230V AC
- spełniane normy: EN 50130-4, EN 50130-5
- klasa środowiskowa wg EN50130-5: II
- temperatura pracy: -10°C ... +55°C
- max. wilgotność: 93% (±3%)
- wymiary: 47 x 47 x 22 mm
- waga: 41 g
W zestawie:
- bezprzewodowy sterownik Satel ARSC-200 (Smart Blinds) - 1 szt;
- instrukcja.