Schowek 0
Twój schowek jest pusty
Koszyk 0
Twój koszyk jest pusty ...
Strona główna » AUTOMATYKA DOMOWA » ZABEZPIECZENIE MIENIA » CZUJNIKI RUCHU » CZUJNIKI MIKROFALOWE » MIKROFALOWY CZUJNIK RUCHU ZE ŚCIEMNIACZEM ORNO OR-CR-269 360° 5,8GHz 600W IP20
alt
ORNO OR-CR-269MIKROFALOWY CZUJNIK RUCHU ZE ŚCIEMNIACZEM ORNO OR-CR-269 360° 5,8GHz 600W IP20
ORNO OR-CR-269
MIKROFALOWY CZUJNIK RUCHU ZE ŚCIEMNIACZEM ORNO OR-CR-269 360° 5,8GHz 600W IP20

MIKROFALOWY CZUJNIK RUCHU ZE ŚCIEMNIACZEM ORNO OR-CR-269 360° 5,8GHz 600W IP20

Orno

Dostępność: Dostępny

Koszt wysyłki: od 12,99 zł

Numer katalogowy: 23702

Kod EAN: 5908254846656

Stan produktu: Nowy

Gwarancja: 5 lat

Cena brutto: 62,49 zł

Cena netto: 50,80 zł

Cena katalogowa: 93,23 zł

Oszczędzasz: 30,74 zł

Brak zmiany ceny produktu w ciągu ostatnich 30 dni

Ilość:
-+
szt.
Dodaj do koszyka

dodaj do schowka

  • Opis produktu
  • Do pobrania (2)
alt



Mikrofalowy czujnik ruchu z obsługą ściemniacza LED 0/1-10V Orno OR-CR-269 to nowoczesne urządzenie do automatycznego sterowania oświetleniem. Pozwala wykrywać ruch i włączać światło tylko wtedy, gdy jest potrzebne, co przekłada się na oszczędność energii i większy komfort użytkowania.
 


Funkcje i działanie

  • automatyczne załączanie oświetlenia po wykryciu ruchu
  • współpraca ze ściemniaczem LED 0/1–10 V
  • regulowana wartość progowa natężenia światła – dopasowanie do warunków oświetleniowych w pomieszczeniu
  • funkcja ściemniania umożliwiająca płynną regulację poziomu jasności
  • kąt detekcji 360° – pełne pole monitorowania w zasięgu sensora
  • regulacja czasu świecenia (TIME): 5 sek. / 30 sek. / 1 min. / 5 min. / 10 min. / 20 min. / 30 min.
  • regulacja natężenia światła (LUX): 2 Lux / 10 Lux / 50 Lux / 2000 Lux
 

Montaż i podłączenie

  • montaż podtynkowy – dyskretna instalacja w ścianie lub suficie
  • stopień ochrony IP20 – do zastosowań wewnętrznych, do pomieszczeń suchych, nie narażonych na pył i wilgoć
  • podłączenie za pomocą wtyku samozaciskowego – szybki i pewny montaż elektryczny
alt
Legenda:
  1. Moduł anteny
  2. Czujnik zmierzchu
  3. Wskaźnik LED
  4. Regulacja zworkowa
  5. Złącza przyłączeniowe
 

Regulacja zworkowa

alt
Legenda:
  1. Regulacja zasięgu wykrywania ruchu przez czujnik
  2. Regulacja czułości czujnika zmierzchu
  3. Ustawianie intensywności świecenia światła w trybie czuwania (ściemniacz)
  4. Ustawianie czasu świecenia światła po wykryciu ruchu. Światło zostanie włączone na pełnej wydajności. Każdy wykryty ruch resetuje odliczanie czasu świecenia. 
  5. W trybie czuwania ściemnione światło zostaje włączone na dodatkowy czas zanim wyłączy się całkowicie (jeśli ruch nie zostanie wykryty). Tryb czuwania włącza się automatycznie, jeśli nie wykryto ruchu podczas podstawowego czasu świecenia. Ustawienie "0" wyłącza funkcję całkowicie. Ustawienie "+∞" włącza funkcję na stałe (ściemnione światło zostanie zapalone cały czas, aż do wykrycia ruchu). 

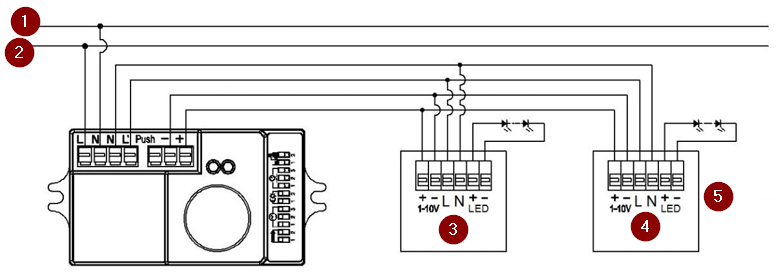
Standardowy schemat podłączenia:
alt
Legenda:
  1. N - przewód neutralny
  2. L - faza (napięcie wejściowe)
  3. Sterownik LED (brak w zestawie)
  4. Sterownik LED (brak w zestawie)
  5. Obciążenie max. 600W

Specyfikacja techniczna:
 
  • max. obciążenie: 600W (LED)
  • kąt widzenia: 360°
  • częstotliwość: 5,8 Ghz
  • max. moc nadajnika: <0,2mW
  • zasięg czujnika: ∅2-16m 
  • regulacja czasu świecenia: 5s / 30s / 1min / 5min / 10min / 20min / 30min 
  • regulacja natężenia światła: 2 Lux / 10 Lux / 50 Lux / 2000 Lux
  • regulacja zasięgu detekcji: 10% / 50% / 75% / 100%
  • prędkość wykrywanego ruchu: 0,6-1,5 m/s
  • stopień ochrony: IP20
  • wysokość instalacji: 2 – 8m
  • materiał: tworzywo sztuczne
  • montaż podtynkowy
  • temperatura pracy: -20°C...+50°C
  • zasilanie: ~230V/50Hz
  • pobór prądu: 0,9W (podczas pracy)
  • wymiary: 78 x 45 x 25 mm 
  • waga netto: 0,062 kg
alt
W zestawie:
 
  • czujnik ruchu Orno OR-CR-269 - 1 szt;
  • instrukcja.

Informacja o bezpieczeństwie

zobacz szczegóły

Dane kontaktowe producenta:

ORNO-LOGISTIC Sp. z o.o., Rolników 437, 44-141 Gliwice, Polska, e-mail: techniczny@orno.pl, telefon: +48 32 43 43 110
Pozostałe produkty z kategorii
ORNO OR-CR-282
szt. Do koszyka
ORNO OR-CR-212
szt. Do koszyka
ORNO OR-CR-218
szt. Do koszyka
ORNO OR-CR-281
szt. Do koszyka
ORNO OR-CR-216
szt. Do koszyka
Korzystanie z tej witryny oznacza wyrażenie zgody na wykorzystanie plików cookies. Więcej informacji o ich zastosowaniu i sposobie modyfikacji, akceptacji plików cookie, można znaleźć w Polityce Prywatności .
Nie pokazuj więcej tego komunikatu
zamknij
Kontrast
Wielkość tekstu
Wysokość linii
Odstęp liter
Kursor
Skala szarości
Ukryj obrazy
Czytelna czcionka
Wyłączenie animacji
Wyrównanie tekstu
Nasycenie
Podkreśl odnośniki
Czytnik ekranu
Zresetuj wszystkie ustawienia